
春夏之际,又到了一年一度的猫(狗)毛“采摘”的季节。你有没有想过,为什么这时候毛孩子们开始疯狂掉毛了呢?猫毛和狗毛的结构是一样的吗?这胡须怎么就不掉呢?
趁着铲屎官们家里毛发纷飞,小编带着疑问,收集了两只小可爱不同身体部位的毛发,使用飞纳台式扫描电镜观察毛发的微观结构,并做了 2 组小实验,以解开这心中的困惑。


志愿猫咪:英短蓝白 志愿狗狗:中华田园犬
实验一 为什么掉毛季的猫咪和狗狗会疯狂掉毛呢?
为了找到这个问题的答案,小编取猫咪和狗狗背部浓密的绒毛和直毛作为研究对象,制样时选择毛发的中部,直接放入飞纳台式扫描电镜中进行观测(均未喷金处理)。
首先,考考各位铲屎官,下面这张 SEM 图片显示的是猫毛还是狗毛?

你猜对了吗?让我们根据扫描电镜的结果来分析宠物掉毛的原因。


猫咪的背部弯曲绒毛 (白色) 狗狗的背部弯曲绒毛


猫咪的背部细直毛 (灰色) 狗狗的背部直毛
不管是绒毛还是直毛,猫毛和狗毛毛鳞片的微观结构在细节上还是有明显的不同,所以通过毛鳞片的结构,可以进行动物种类的初步区分(小编偷偷告诉你,通过毛发的毛鳞片形态分析还可以为侦破案件提供重要线索。
言归正传,小编仔细观察这些微观结构,会发现一个共同点,毛发表面毛鳞片结构与毛干间具有剥离间隙,像是在毛干周围分布一些枝干一样。
这种结构对于猫咪和狗狗意味着什么呢?于是小编查阅了相关资料,果然,在一篇《动物毛发的形态结构及其功能特性研究》的文章中,描述了这种结构的功能特性是保温性!哦,小编恍然大悟,原来较大的空隙可以储存空气,减缓空气流动速度,使得热交换的速度降低。怪不得猫咪和狗狗在冬天不穿羽绒服也不会觉得冷呢!不过这小小的毛鳞片有这么大的保温功效吗?

小编又查阅相关资料,发现起保温功能的还有一个重要的结构,那就是毛发内部的髓质。

· 鳞片:位于最外层,由多层扁平角化细胞组成,主要起到保护毛发纤维的作用;
· 皮质:位居中层,对毛的弹性和韧性起决定性作用;
· 髓质:位于毛纤维中心,由排列疏松的髓细胞构成,疏松的髓细胞使髓腔内可容纳固定空气,起到一定的保温作用。
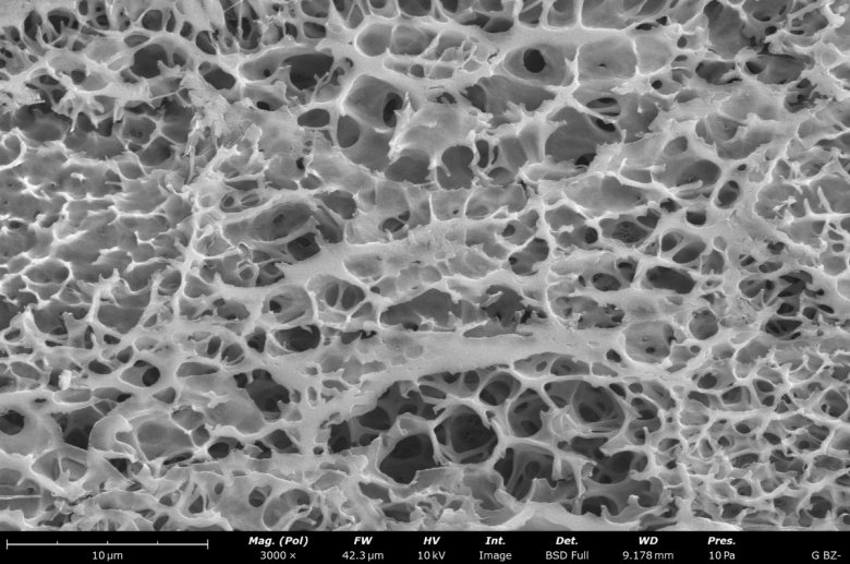
于是小编切开毛发,观察了狗的背部直毛断面结构,SEM 图可以清晰看到,毛发的同心结构确实是由外层鳞片、中层皮质以及中心髓质三个部分组成,并且放大后的髓质层 SEM 图可以看出,其结构疏松多孔,确实很有利于空气的留存呀。


狗的背部直毛断面 狗的背部直毛断面髓质层
那到这里,小编总算是搞明白了,原来临近升温时,猫咪和狗狗身披“皮草”,觉得太热了。不管是毛鳞片还是髓质,到了温暖时节,不需要它们发挥保温的功能了,所以它们脱掉一些绒毛以适应炎热的天气,这也就是为什么到了春夏,毛孩子们就容易掉毛的原因哦。
实验二 胡须为什么不掉呢?
据小编多年的养宠经验,这胡须可是猫咪和狗狗的重要感知和捕猎“武器”。从肉眼上看,胡须是比其它毛发都要粗一些,这功能不同,微观结构会不会有也有所不同呢?同样在掉毛季,这胡须怎么不掉呢?
于是小编忍痛剪下了狗狗的一小节胡须,观测了狗狗胡须断面的微观结构,并和背部直毛的断面进行对比。一经对比,真相也更进一步了。


背部直毛断面 胡须断面
和背部直毛的断面结构进行对比,胡须断面的中心的髓质直径占比小。相对的,皮质的直径占比是最大的。上面毛发结构中对皮质功能的描述是这样的:位居中层,对毛的弹性和韧性起决定性作用。从胡须的结构看,髓质少,皮质多,所以胡须的主要功能不是保温,而是感知。因此温度升高也不会掉,也不能掉,建议不要去修剪宠物的胡须哦。
这就说得通了,据小编了解,狗狗的感知空间气流或者空气变化时,胡须就会颤动,因为胡须深入的皮肤里面,根部充满了神经末梢,因此具有触觉受器的功能。这也是为什么猫咪和狗狗可以在黑暗中闪避障碍物的重要原因。这胡须每天都会频繁地颤动,确实就需要具有很好的弹性和韧性,怪不得皮质层的直径占比那么大呢!
以上就是猫咪和狗狗毛发的实验结果啦,希望能帮助大家更加了解萌宠们,与此同时也可以获得一些关于毛发结构的小知识哦。
有兴趣的读者还可以思考一下,我们平常保暖使用的羊毛羊绒在形貌结构上会有什么特征,相对于猫咪和狗狗,它们毛纤维的髓质层是占比更高还是会更低呢?留言区告诉小编哦。